CAN-DS2000A Опция анализа CAN шин для DS2000A Актаком
Цена - по запросу
- Производитель: Актаком
- Модель: CAN-DS2000A
- Наличие: Нет в наличии
Назначение опция анализа CAN шин CAN-DS2000A для DS2000A:
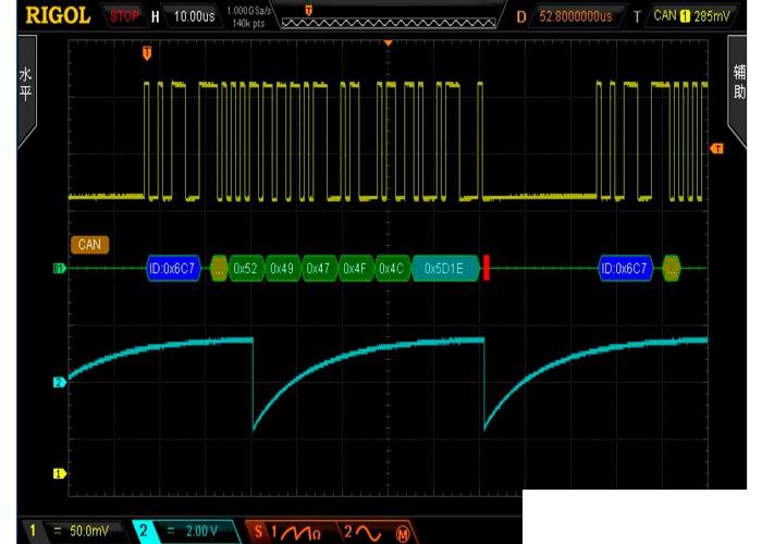
Опция декодирования и запуска для CAN протоколов CAN-DS2000A подходит для осциллографов Rigol серии DS2000A и MSO2000A: DS2072A, DS2102A, DS2202A, DS2302A, DS2072A-S, DS2102A-S, DS2202A-S, DS2302A-S, MSO2072A, MSO2102A, MSO2202A, MSO2302A, MSO2072A-S, MSO2102A-S, MSO2202A-S, MSO2302A-S.
Комплектация
| № | Наименование | Количество |
| 1 | Опция анализа CAN шин CAN-DS2000A для DS2000A | 1 |
Гарантия
У нас вы можете получить онлайн-консультацию по выбору и комплектации, инструмента.
Обмен и возврат товара осуществляется в соответствии с положениями Закона о защите прав потребителей. Адрес точки приёма: 192019, г. Санкт-Петербург, ул. Смоляная, д.15, лит. А, пом. 24.
- Информация о гарантии производителя
- Найти сервисный центр по ремонту инструмента
- Сертификаты продавца/производителя
ETK-379382
